Запасные части ЧТЗ Запасные части ЧТЗ
Москва
Например:
Актобе
Алдан
или
Выбрать автоматически
Актобе
Алдан
Алматы
Алчевск
Архангельск
Астана
Астрахань
Атырау
Баку
Балашиха
Барнаул
Белгород
Бердянск
Бишкек
Владивосток
Владикавказ
Воркута
Воронеж
Горловка
Грозный
Донецк
Екатеринбург
Иваново
Ижевск
Иркутск
Казань
Калининград
Каменск-Уральский
Караганда
Каховка
Кемерово
Киров
Комсомольск-на-Амуре
Костанай
Краснодар
Красноярск
Красный луч
Ленск
Луганск
Магадан
Магнитогорск
Макеевка
Махачкала
Мелитополь
Минск
Мирный (Якутия)
Москва
Мурманск
Нерюнгри
Нижневартовск
Нижний Новгород
Нижний Тагил
Новая каховка
Новокузнецк
Новосибирск
Новый Уренгой
Норильск
Ноябрьск
Нур-Султан
Омск
Оренбург
Ош
Павлодар
Пермь
Петрозаводск
Петропавловск
Петропавловск-Камчатский
Псков
Ростов-на-Дону
Салехард
Самара
Санкт-Петербург
Саратов
Севастополь
Семей
Симферополь
Сочи
Ставрополь
Сургут
Сыктывкар
Тараз
Ташкент
Токмак
Томск
Тында
Тюмень
Ульяновск
Усинск
Усть-Каменогорск
Уфа
Хабаровск
Ханты-Мансийск
Херсон
Челябинск
Чита
Шымкент
Экибастуз
Энергодар
Южно-Сахалинск
Якутск
Ваш город
Москва
Войти
Запасные части к тракторам на одном сайте
+7 (932) 303-00-10
+7 (932) 303-00-10
г. Москва, ул. Лобненская, д. 18
Пн-Пт: 9:30-18:30 Cб-Вс: Выходной
Отправить заявку


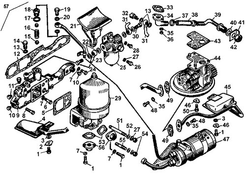
Система смазки подетально на Т-170


/
с НДС 20%
Описание
Система смазки Т-170
Поз.АртикулНаименование
1М10x25.58.019Болт
2Шайба стопорная 3198
331308Шайба
451-09-162СПМаслоприемник
5700-40-4746Прокладка
6М10x45.58.019Болт
710ОТ 65Г 09Шайба
8М10x55.58.019Болт
916-09-135Плита маслораспределительная
951-09-140Плита маслораспределительная
10375Пробка
11379Пробка
12700-40-6944Прокладка
1314x20Кольцо
14700-41-2716Болт поворотного угольника
15Б19-200Шарик
1638319Пружина
17261164Кольцо
1851-09-108Седло клапана
19411143Штуцер
2040911Кольцо
2151-09-124Кронштейн
22СМД-1539АПрокладка
23Труба 51-09-187СП
24М10x35.58.019Болт
2517К-28С9АУФильтр
26М12x35.58.019Болт
2712ОТ65Г09Шайба
28М8х25.88.019Болт
29Центрифуга 95.000СП
30Д18-051Болт
31Труба 51-09-186СП
32700-41-3364Переходник
33Прокладка 700-40-5650
3451-09-129СПТруба
358Т 65Г 09Шайба
36М8-6.019Гайка
37700-41-2235СПХомут
3846849Рукав
3951-09-130СПТруба
4022x30Кольцо
413173Пластина стопорная
423069Гайка
43700-40-7194Прокладка
4429-09-124СПНасос масляный
45Маслоприемник 51-09-149СП
46Шайба стопорная 3137
4751-09-188СПУстановка маслозакачивающего насоса
48М8х20.58.019Болт
49Прокладка 40751
50М10x30.58.019Болт
51700-29-2233Шпилька
523135Шайба
53Прокладка 700-40-4892
54ЗОЮГайка
55700-29-2353Шпилька
5616-09-139Фланец
5751-09-5СПСистема смазки дизеля болотоходного трактора с пусковым двигателем
5751-09-8СПСистема смазки дизеля болотоходного трактора с электростартерной системой пуска
5751-09-28СПСистема смазки дизеля с пусковым двигателем
5751-09-2СПСистема смазки дизеля с пусковым двигателем
5751-09-29СПСистема смазки дизеля с пусковым двигателем для болотоходных тракторов
5751-09-6СПСистема смазки дизеля с электростартерной системой пуска
5751-09-26СПСистема смазки дизеля с электростартерным пуском
5751-09-27СПСистема смазки дизеля с электростартерным пуском для болотоходных тракторов
Система смазки подетально